Haftanın Verandası: Açık Hava Alanı Çiftlerin Favorisi Oldu oda

Izgara, yemek ve ateş çukuru salon alanları içeride yer alır bu Virginia bahçesinde hoş kıvrımlar

Konuya gelince arka bahçe peyzaj planları, bu Richmond, Virginia, ev sahipleri tamamen eğrilerle ilgiliydi. "Onlardan birini görmüşlerdi Servista sayfamızda birçok eğriye sahip projelerimiz bir başlangıç noktasıyız," diyor peyzaj tasarımcısı Greg Koehler. Gibi işlev için olmazsa olmazları arasında bir oturma alanı vardı. ateş çukuru, altı kişilik yemek alanı, ızgara istasyonu ve merdivenler arka kapıdan verandaya.
patio gregÖnce FotoğrafFotoğraf:
Bir Bakışta Veranda
Burada kim yaşıyor:Bir çift
Yer:Richmond, Virginia
Tasarımcı ve inşaatçı:
Önce:Ev sahipleri, işlerini tamamlayacaklarını biliyorlardı. taşındıktan sonra çevre düzenlemesi yaptılar, bu yüzden inşaatçıyı terk ettirdiler. boş bir sayfa aç. Avlu bir ormana kadar uzanıyordu ve bir içinden akan hendek veya çöküntü.
Ev sahiplerinin Servista'da gördüğü Outdoor Dreams'in bir projesi tasarıma ilham verdi. "Müşterilerle ilk görüşmemden sonra, ben her zaman ilham aldığım fotoğrafları içeren bir Servista fikir kitabı hazırla beğeneceklerini düşünüyorum," diyor Koehler. "Sonra onlarla paylaşırım ki bana hangilerini sevip hangilerini sevmediklerini söyleyebileceklerini beğenin ve daha fazla fotoğraf ekleyin. Bu fotoğrafları görmek bir sürecin gerçekten önemli bir parçası." Oradan onun sunar üç ila beş farklı planı olan müşteriler.
Açık Havada Zarif Bir Bahar AkşamıSonra: Koehler verdi çift, eğrileri kucaklayan bölgelere ayrılmış bir düzene sahip bir veranda. O Dairesel ateş çukurunu kavisli bir oturma duvarı ile kapladı. verandanın arka kenarı. Mutfak kurşunundan yeni merdivenler içeriden kolay taşıma için doğrudan ızgara adasına dışarıya. Yemek masası ise ızgara istasyonuna yakındır. kolay servis.

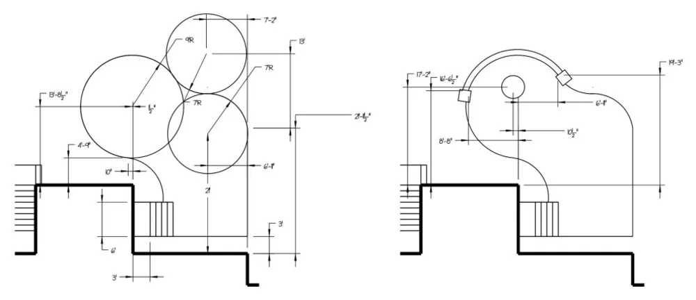
veranda gregBu çizim, Koehler'in her kıvrımını göstermektedir. tasarlanmış, yarıçaplı tanımlanmış bir dairenin bir yayı. "Buldum Kesin daireleri kullanmak en iyisidir - daire klasiktir, oysa diğer eğriler vurulabilir veya ıskalanabilir. Bir daire net ve daha iyi görünüyor göz" diyor. "Ayrıca emin olmanın en kolay yolu tam olarak çizilene göre inşa edilecek, çünkü verir montajcılar çalışmak için bir yarıçap ölçüsü."
veranda gregÇemberlerin oluşumunda nasıl çalıştığı aşağıda açıklanmıştır. veranda ayak izi. Bu plan aynı zamanda kaldırım taşı döşemelerini de göstermektedir. sağdaki ön bahçeden verandaya açılan ve soldaki bodrum katına çıkan veranda.
Açık Havada Zarif Bir Bahar AkşamıKoehler üç tür seçti veranda için kaldırım taşları. Ateş çukurunun etrafındaki çemberi çevreledi. ve parke taşı benzeri kaldırımlarda daha büyük ateş çukuru alanı. İçinde arasında düzensiz bir nehir taşı tipine sahip döşeme taşları kullandı. Bakmak. Ateş çukuru ve oturma duvarı, aşağıdakileri içeren bir settendir: mimari bloklar ve kapaklar. Ve şu adreste eşleşen sütunlar ekledi: oturma duvarının her iki ucu.
Arnavutkaldırım taşları: Villagio; nehir taşı döşeme taşları: Antika, ateş pit kiti: Valencia, tamamı

Dış Mekanda Zarif Bir Bahar AkşamıÜçüncü dikdörtgenler ve karelerin bir karışımı olan finişer, verandada yemek ve ızgara alanları. "Müşterilerim bir renklerin gobleni, çok monoton bir şey yok, "diyor Koehler. yani o Bu döşeme taşlarını, iyi çalışan üç renkte oluşturdu. pişmiş toprak ve kiremit tonları. "Bu, en özel kısmıydı. veranda. Henüz rastgele görünmesini nasıl sağlayacağımızı çözmemiz gerekiyordu. dengeli. Şimdiye kadar pek çok farklı kombinasyon denedik. bunun üzerine indi," diyor Koehler.
Döşeme taşları arasındaki derzler geçirgendir ve suya izin verir verandadan kaçmak yerine yere sızmak için. yeni toplama havzası, mülkteki diğer su akışının icabına bakar veranda yapımından elde edilen.

Döşeme Taşları: MistaChestnut Brown, Champlain Gray and Sandlewood, Techo-Bloc
Açık Havada Zarif Bir Bahar Akşamıİşte nasıl yapılacağına iyi bir bakış dairesel oturma alanı verandanın geri kalanıyla buluşuyor. Köhler verandayı parke taşı benzeri döşemelerle çevreledi.
Açık Havada Zarif Bir Bahar AkşamıParlak yeşil ekiciler verandaya taze renk. Köhler, yeşil-beyazlılarla kaldı ekicilerdeki renk paleti.

Dış Mekanda Zarif Bir Bahar AkşamıTasarımcı, şekil ve renk açısından fantastik yaprak çeşitliliği. Bitkiler ekici aranjmanlarına beyaz sardunyalar, tozlu değirmenci (Jacobaea maritima,syn.Senecio cineraria), (Timus vulgaris), (Ipomoea batatas), beyaz mine çiçeği (Verbena urticifolia), (Rosmarinus officinalis) ve sürünen kekik (Thymus praecox). Koehler, "Ekicilere bitki eklemeyi seviyorum" diyor. "Çok fazla harika doku ve aroma ekliyorlar. Ve koşabilirsin çıkar ve yemek pişirirken ihtiyacın olursa biraz kırp."
Saksıların dibine peyzaj kumaşı eklenmesini tavsiye ediyor. kiri içeride tutun, ardından önlemek için birkaç inç çakıl ekleyin drenaj deliklerinin kirle tıkanmasını önleyin. "Ve bu etraflarındaki alanı temiz tutacaktır," diyor.
Açık Havada Zarif Bir Bahar AkşamıSütunların her iki ucunda oturma duvarı diğer taşlarla koordineli ancak daha fazlasına sahip sağlam görünüm Koehler, Mountain Ledge adlı bir taş kaplama kullandı. Charleston adlı bir renkten. Sütunların üstündeki kapaklar duvardaki ve ateş çukurundaki kapaklarla koordine edin.
Koehler bir (Cornus kousa) dikti her sütunun arkasında. Ve diktiği duvarın arkasına 'Limelight' salkım ortancası (Ortanca panikulata'Limelight'), Sonsuz Yaz (Hydrangeamacrophylla) ve'Yeşil Dağ' şimşir(Şimşir'Yeşil Mountain').
Dış Mekanda Zarif Bir Bahar AkşamıEv sahipleri bir altı kişilik bir masa barındırabilen yemek alanı. İşte burada bir bahar yemeği partisi için hazırlandı.

Dış Mekanda Zarif Bir Bahar AkşamıKoehler ızgarayı kapattı sütunlarda kullandığı aynı sağlam taş kaplamada ada. Ev sahipleri, açık hava pişirme alanının birbirleriyle koordine olmasını istedi. mutfakları, bu yüzden graniti mutfaklarıyla eşleştirdi tezgahı. Izgaranın ötesinde bir (Lagerstroemia indica) ağacı.
Gazlı ızgaraya ek olarak iki adet yan brülör vardır. "Bunlar bütün bir yemeği dışarıda pişirmek için harikadır, özellikle de bazı kokuları evden uzak tutmak istiyorum. Örneğin, ne zaman sörf ve çim ya da köri yapıyorsun, "diyor Koehler. "Bunlar ayrıca sosları sıcak tutmak ve büyük bir tencerede acı biber tutmak için harikadır gidiyor ve onları demlemek için kullanan müşterilerim bile oldu. bira."
veranda gregFotoğraftan ÖnceÖnce:Orada arka kapıdan arka bahçeye adım yoktu. ev sahipleri beklemek ve onlarla koordine olacak bir şey yapmak istedi peyzaj planları.
Açık Havada Zarif Bir Bahar AkşamıSonra:Yeni merdivenler verandanın geri kalanıyla koordine edin. Köhler onlara özel mevcut olana çok benzeyen toz boyalı alüminyum korkuluklar ön giriş ve dış bodrum merdivenlerinde korkuluklar. Ek mutlu yeşil saksılar, tabanına biraz bitki ömrü ekler. merdivenler.
Dış Mekanda Zarif Bir Bahar AkşamıEv sahipleri, yeni dış mekan alanı ve mümkün olduğunca kullanın. "Müşterilerim mümkün olan her akşamı burada geçirdiklerini bildirdiler Pandemi sırasında yatma saatine kadar," diyor Koehler. "Ve anlatırlar Bana o şarabın tadı burada içtiklerinde daha da güzel oluyor."


# Daire tadilatı